<nav id="oykwo"><code id="oykwo"></code></nav>
<xmp id="oykwo"><nav id="oykwo"></nav>
  • <menu id="oykwo"></menu>
  • <xmp id="oykwo">
  • <xmp id="oykwo">
  • <xmp id="oykwo"><optgroup id="oykwo"></optgroup>
  • <dd id="oykwo"></dd>
    三豐集團
    English
    新聞中心
      "客戶為根,服務為本"深深銘刻在每個人心中,時時微笑、處處用心的服務品質在無限傳遞,讓數以萬計的客戶更加信賴三豐。
    • 銷售經理:郭強

      18653381562
    • 固定電話:

      0533-4680888
    • 人力資源招聘熱線:

      0533-4683766

    新聞中心

    為什么說工業處理廢水一般是物理,化學,生物等多種處理方法的結合?

    1

     為什么我們需要不同的水處理方法?


    廢水中的污染物千奇百怪。街道上的泥沙,家庭里的油脂、排泄物,工廠的工藝廢液等都可能出現在廢水中。不同的污染物類型對應著不同指標。例如污水中的油脂、有機物質影響 COD(化學需氧量);不溶性懸浮固體顆粒影響著 SS;氮磷等營養元素影響著 TN、TP、 NO3-N 等。

    我們的廢水排放國家標準,對這些污染物都有著極為嚴格的要求。化學方法很難除去污水中的油脂、物理方法很難除去氮磷等會導致水體富營養化的污染物、生物方法很難除去懸浮的固體顆粒。因此,現今廢水處理都是通過多種方法相結合來實現最終目的。

    我國城鎮污水處理廠污染物排放標準 (GB18918-2002)


    污水處理廠有不同的操作單元來除去上述的這些污染物。只有這些單元相互配合才能較完整地去除污水中的不同污染物。


    2

     常見的廢水處理方法有哪些?


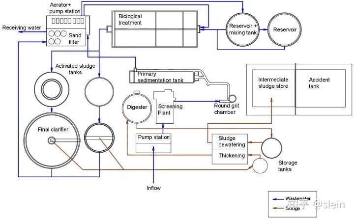
    下圖展示了某個污水處理廠的工藝流程圖(再下一張圖為簡易版)。

    污水處理廠簡易流程圖


    廢水從下部,經由泵站被泵入整個體系。廢水先經過了物理篩分除去大固體雜質;再經過沉砂池,除去泥沙等小型固體顆粒;之后進行一次沉降,除去易沉降的固體顆粒。到目前為止所進行的都為物理分離方法。

    之后,經初步處理的廢水會進入活性淤泥池,經曝氣及厭氧處理后,淤泥中的各類微生物會吸收降解廢水中的有機污染物、氨氮等。經微生物處理后,依據要求不同,會選擇性的使用沉淀劑、絮凝劑,進一步去除水中的懸浮雜質、磷等污染物。最后經澄清池沉降分離,得到污染較小的廢水。

    上圖可能比較難看懂,下圖更為直觀。沒有相關背景的人可以看下圖。由于不同污水處理廠工藝的不同,具體單元設置可能有些許區別,但原理都是相近的。

    污水處理廠流程示意圖(來源:網絡)


    最傳統的污水處理廠需要包括至少以下六個操作環節。每個操作環節能夠去除的污染物以及對應的工作原理也列在了下表。

    接下來幾節,我們就分別按照物理、化學、生物的順序,各舉一個例子來簡要介紹一下廢水處理方法的原理。


    3

     物理:沉降


    沉降的原理十分簡單,就是利用固體顆粒與水的密度差,使得固體顆粒在水相中不斷下沉。這個過程有兩個重要的操作參數:沉降速度及廢水的流動速度。我們需要滿足固體顆粒能夠在廢水流經沉降池過程內,盡可能多的被沉降。

    沉淀池示意圖

    上圖是一個簡單的沉淀池示意圖。固體顆粒沉降后會匯集到左下漏斗狀部分,形成淤泥。淤泥可以通過進一步的處理制成沼氣及其他資源。沉降后的廢水則通過右邊的擋板流入下一個單元。

    沉淀池 (來源:Dreamstime.com)


    4

     化學:絮凝沉淀


    基于化學的絮凝沉淀主要用于除去含磷污染物及無法沉降的懸浮顆粒。最常用的絮凝劑為鐵鹽、鋁鹽。  這四種最為常用。
    絮凝沉淀機理 [1]

    這些金屬鹽在廢水中會與磷酸鹽結合形成沉淀。形成沉淀后,再通過緊隨的沉降步驟將廢水與污染物分離。

    同時這些金屬鹽會形成膠體。膠體粒子在廢水中會通過靜電力及范德華力吸附其他污染物共同聚沉脫穩。化學絮凝過程有時對某些生物大分子(如腐殖酸)有著極高的去除效率。我的本科畢業論文研究的內容便是“絮凝過程中膠體粒子對藥物微污染物的去除”。

    膠體粒子的雙電層模型 (來源:Wikipedia)

    如果對這方面有興趣,可以查閱一下“雙電層模型”、“ζ-電勢”等。


    5

     生物:活性污泥


    活性污泥法可謂是廢水處理的核心環節。其主要的職能為去除 COD(化學需氧量)及TN(總氮)。活性污泥反應池中的工人便是活性污泥中的微生物。

    顯微鏡下的活性污泥

    (黃色區域為活性污泥,黑色部分為附著在污泥上的各類微生物)


    COD 主要來源于廢水中的有機物。COD 的去除主要是由于“活性污泥中的微生物在有氧條件下以廢水中的有機物作為碳源供能”,最后轉化為水和二氧化碳等物質。

    TN 的去除比較有趣,主要涉及到如下兩個生化反應:
     

    其中,硝化需在有氧環境下進行,脫硝需要在厭氧環境下進行。因此為了能夠同時滿足去除硝酸鹽和氨氮的需求,常將活性污泥反應池設計為如下的形式:
    上游脫硝活性污泥反應池示意圖

    灰色方塊部分為厭氧脫硝,藍色方塊為好氧硝化。Internal Recycle (內部循環)的存在可以有效地將“后半部好氧硝化”產生的硝酸鹽重新導入“厭氧脫硝”部分,盡可能的減少出水的總氮含量。


    6

     結語


    至此,我們將廢水處理的目的、標準以及一些基本單元操作進行了簡要介紹。最后分別選取了物理、化學、生物三種原理的各一例來說明“為何廢水處理是理化生多種處理方法的結合”。

    實際上這里列出的方法只是最為基本的單元操作。隨著污染物種類的增多,各種針對不同新型污染物的新工藝也十分多,例如:MBR、Bio-P、SBR 工藝等。

    最后,用三句話來總結一下廢水處理對我們的意義:



    掃描二維碼添加微信
    0533-4680888
    接吻视频